
Сигналізатор тиску універсальний СДК
- В наявності
- Код: 10.1.01.0100
780 ₴
- +380 (66) 558-72-60СІЗ та протипожежне обладнання
- +380 (68) 905-38-85Перезаряджання вогнегасників
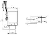
Сигналізатор тиску призначений для видавлювання сигналу про надходження ГОТВ у розподільну мережу під час спрацьовування автоматичних систем газового пожежогасіння. Технічні характеристики представлені в таблиці. Електрична схема та габаритні розміри сигналізатора тиску представлена на малюнку.
Приклад позначення СД на малюнку 2. ЕЛЕКТРИЧНА СХЕМА І ГАБАРІТНІ РОЗМІРИ СД: 1 — білий (загальний); 2 — зелений (нормально-замкнутий), 3 — синій (нормально-розомкнутний), 4 — коричневий (заземлення).
|
№ |
Характеристика |
Значення |
|
1 |
Максимальний робочий тиск, бар |
150 |
|
2 |
Тиск спрацювання, бари |
0,3-1 |
|
3 |
Приєднувальна різь |
G1/2" |
|
4 |
Комутований струм у разі: |
|
|
постійному струмі ≥ 30 В, не більш ніж |
1 |
|
|
змінному струмі ≤ 250 В, не більше, А |
2 |
|
|
5 |
Клас захисту |
ІР54 |
|
6 |
Маса, не більш ніж кг |
0,09 |
- Ціна: 780 ₴



